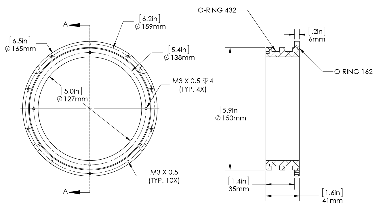
This flange has an O-ring seal that fits in the tube of the Water Tight Enclosure for ROV/AUV (6″ Series). The modular design allows a variety of end-caps to be attached to the flange.
If you’re looking for a complete set of parts for an enclosure, we highly recommend using the enclosure configurator here.







